您所在的位置:首页 > 新闻中心 > 行业新闻
行业新闻

1 总则

VFC系列电磁斥力快速断路器是一种电容器储能、涡流盘驱动、永磁保持、直动式的快速真空断路器,机械分闸时间小于5ms、最大开断电流不小于80kA

2 电磁斥力机构

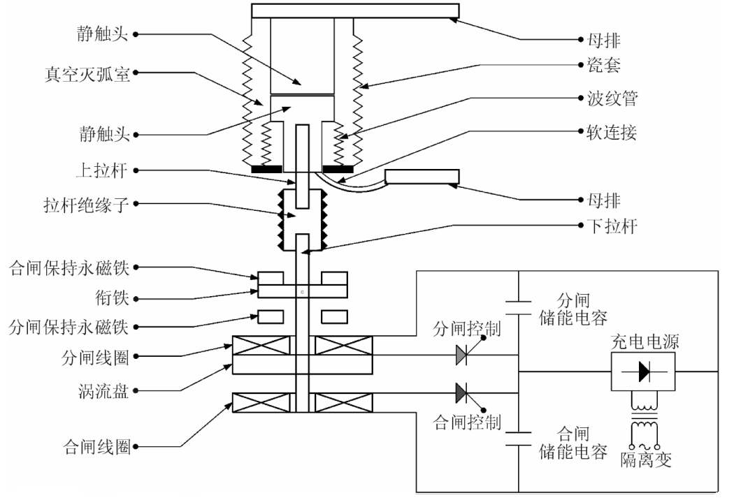
电磁斥力机构 (Electromagnetic Repulsion Mechanism, ERM)又称为汤姆森 线圈 (Thomson Coil,TC), 1 9 7 2年由加拿大学者S.Basu K.D.Srivastava等提 出,主要原理是利用外部电路给盘状斥力线圈脉冲放电 ,由于涡流效应在与之对应的涡流盘中感应出涡流 ,线圈磁场与涡流磁场相互作用产生巨大的电磁斥力 ,带动灭孤室动触头运动 ,实现开关的分合闸操作 。

如下图,为VFC开关电磁斥力机构和电路原理示意图。

3 指标特点

技术特性

单位

参数

VFC优势理由

最大额定电流(r.m.s)

A

8000

大电流均流技术

标称最大开断电流(r.m.s)

kA

80

采用电流过零前分闸技术(1)

最大开断电流次数

100

灭弧室燃烧量小

控制器判断出口时间(2)

ms

1.6

采用专用快速算法

标称分闸时间

ms

6

电磁斥力

多次分闸时间分散度(3)

ms

±0.5

直动式,可控硅开关

燃弧时间

ms

2

采用控制燃弧量技术(4)

开断短路电流时间

ms

20(5)

判断和动作时间快

单断口最大遮断电压

kV

38.5

采用了TRV抑制技术(6)

(1) 短路电流大于40kA时,采用此项技术;

(2) VFC开关自带专用控制器;

(3) 若需要精确控制分闸,此项为必要指标;

(4) 短路电流大于40kA时,采用此项技术;

(5) 控制器判断和开关固有动作时间之和小于7ms,但三相电流过零才能称为开断,一般标称为小于20ms;

(6) 短路电流大于40kA时,采用此项技术;


下一篇: 已经是最后一篇
关闭视频
产品分类
联系方式
  • 安徽瑞开电力科技有限公司
  • 安徽省合肥市高新区将军岭合肥创新产业园三期
  • 19159156215
  • ahrkdl@126.com
Go To Top 回顶部
分享给朋友
分享到朋友圈
19159156215